來源:昌昇自動化時間:2021-10-18
變頻器模塊壞了怎樣維修?變頻器模塊損壞的故障維修思路和步驟分析。若想維修變頻器,那就首先知曉變頻器的工作原理。普通低壓變頻器通常都是交流-直流-交流,其工作原理:zhengliumokuaijiangjiaoliubianweizhiliu,pinghuahuilujiangzhiliupinghua,kongzhidianlugenjushengchangongyideyaoqiukongzhinibianqi,jiangzhiliunibianchengpinlvketiaodejiaoliu,shixiandianjitiaosu。
下麵我們就變頻器常見的燒模塊故障來介紹處理這類故障的思路:
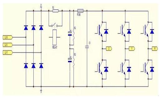
首先須畫出主回電路圖來(我們將交流-直流-交流稱作變頻器的主回路,如圖一),IGBT模塊燒毀往往是因為模塊被錯誤觸發,而導致直流母線經模塊短路,燒毀IGBT逆變模塊,進而燒毀保險以及整流模塊,如象西門子MM430係列變頻器沒有配置保險,IGBT模塊燒毀,在我們所維修的機器中,整流模塊無一幸免都被燒毀。

我wo們men不bu能neng發fa現xian模mo塊kuai燒shao毀hui就jiu簡jian單dan更geng換huan模mo塊kuai通tong電dian試shi機ji,這zhe往wang往wang又you會hui燒shao毀hui模mo塊kuai,所suo以yi我wo們men必bi須xu找zhao出chu燒shao毀hui的de根gen源yuan所suo在zai。接jie下xia來lai,可ke能neng就jiu需xu要yao繪hui製zhi此ci變bian頻pin器qi的de開kai關guan電dian源yuan、IGBT驅動電路的電子線路圖。
開關電源為整機提供若幹組彼此隔離的直流電源,因其品牌、型號的不同,大致如下:
1. 控製電腦用:+5V、+15V、-15V電源;
2. 麵板用直流電源;
3. 端子用:+24V、10V或5V電源;
4. 風扇用24V或12V電源;
5. 4路或6路彼此隔離的驅動直流電源。
弄清楚整機電路各自的工作電源後,接下來就繪製IGBT驅動電路的電子線路圖,有了圖紙,就很容易找出故障的根源。
下麵我們提供一份某變頻器的驅動電路U相電路圖(見圖二),V、W相電路相同。從圖二可以看出,驅動電路的上下臂工作電源由兩組彼此隔離的電源組成,其中開關變壓器的一個繞組、D12、C41、C42、C43、C44、穩壓二極管D13一起構成上臂驅動電路的工作電源,光耦PC1-A3120的8腳和5腳之間電壓為+20VDC,以上臂的IGBT的E極(即U相)為參考點,8腳和E之間的電壓為+15V,5腳和E之間電壓為-5V。

下臂的變壓器繞組有3個抽頭,中間抽頭與N相聯,和D18、D19、C53、C55一起構成下臂驅動電路的工作電源,以N為參考點,PC6的8、5腳電壓為+15V和-5V。
當發現某相的IGBT模塊被燒毀,絕大部分原因為其驅動電路故障所致,以圖二的電路為例來分析,正常靜態(即變頻器處於停止狀態)情況下,IGBT的GE間的電壓大約為-6V左右,IGBT被牢牢封鎖,處於截止狀態。
1.若上臂光耦A3120內部驅動對管的上管擊穿,上臂IGBT的GE間的電壓就為15V左右,IGBT處於導通狀態,若下臂的IGBT被正常觸發,加在上下IGBT模塊的直流母線P1對N通過上下模塊短路,而致使模塊燒毀。
2.若上下臂光耦都損壞,就會造成通電瞬間模塊炸裂。
根據上麵的分析,不難找出模塊燒毀的根源。手裏有一份正確的圖紙,再借助先進的儀器,很快就能修複模塊燒毀這類故障。
若想做到芯片級維修,必須具備深厚的模擬、數shu字zi電dian路lu理li論lun基ji礎chu,熟shu悉xi計ji算suan機ji電dian路lu,能neng根gen據ju電dian路lu板ban畫hua出chu正zheng確que的de線xian路lu圖tu,這zhe是shi必bi備bei的de基ji礎chu。還hai要yao具ju備bei將jiang複fu雜za問wen題ti簡jian單dan化hua的de能neng力li,換huan言yan之zhi,我wo們men的de視shi角jiao、方向,就是思路要正確,否則,隻會將問題複雜化,甚至造成所修設備的二次、三次故障。
真正理解驅動電路就必須知曉IGBT模塊的工作原理,以及理解某型號模塊的性能、參數。我們也可以在網上了解各個品牌變頻器的IGBT、IPM、PIM模塊的用戶手冊,認真閱讀、理解,這對形形色色的驅動電路的正確理解非常關鍵。
上一篇:變頻器常見故障代碼彙總 下一篇:變頻器故障跳閘如何維修
